5.1 Giới thiệu
Bảy ví dụ thiết kế chi tiết được trình bày trong Phụ lục H. Các ví dụ được trình bày bao gồm:
\(\qquad \) (1) Ví dụ 1 đến Ví dụ 4 của Geotechnical Engineering Circular No. 6 (GEC6) của FHWA, Phụ lục C (Kimmerling, 2002);
\(\qquad \) (2) móng của trụ giữa và mố phía đông của cầu Billerica, Massachusetts, B-12-025; và
\(\qquad \) (3) móng của mố phía nam của cầu Marlborough, Massachusetts, N-08-013.
ULS của móng cầu (sức chịu tải) được phân tích trong các ví dụ sau theo phương pháp luận đã trình bày và theo các quy định thiết kế AASHTO với các hệ số sức kháng LRFD như nêu trong tiêu chuẩn AASHTO hiện hành (2007), đồng thời cũng dùng các hệ số sức kháng mới cho sức chịu tải được phát triển trong đề tài nghiên cứu này. Phân tích dựa trên các điều kiện được nêu trong tài liệu tham khảo của từng ví dụ, tức là hình học móng theo thiết kế, điều kiện đất và tải trọng. Để hoàn thiện thiết kế, SLS cũng được phân tích, sử dụng một số phương pháp phân tích độ lún và một dải hệ số. Các đồ thị và bảng tóm tắt được cung cấp cho phần tính toán trong tất cả các ví dụ, và các phép tính chi tiết được trình bày cho hai ví dụ thiết kế:
\(\qquad \) (1) Ví dụ 1 của FHWA, trong đó móng đặt trên đất tự nhiên và hệ số sức kháng áp dụng phụ thuộc vào cách xác định các tham số đất; và
\(\qquad \) (2) trụ giữa của cầu B-12-025 Billerica, trong đó móng đặt trên nền đất có kiểm soát.
5.2 Quy ước tải trọng và ký hiệu
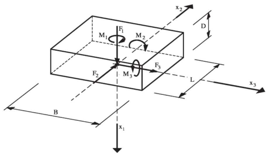
Các quy ước tải trọng và ký hiệu tương ứng được sử dụng trong báo cáo này như trình bày ở Hình 120, trừ khi có nêu khác trong các ví dụ thiết kế. Tải trọng đứng đúng tâm là \(F_1\); \(F_2\) và \(F_3\) là các tải trọng ngang lần lượt theo phương ngang cầu (phương \(x_2\) hoặc phương \(z\)) và phương dọc cầu (phương \(x_3\) hoặc phương \(y\)). \(M_3\) là mô men quanh phương dọc cầu (trục \(x_3\) hoặc trục \(y\)) do tải trọng ngang cầu gây ra, và \(M_2\) là mô men quanh trục \(z\) (phương ngang cầu) do tải trọng dọc cầu gây ra. Độ lệch tâm tải trọng theo bề rộng móng là \(e_B = M_2/F_1\) và theo chiều dài móng là \(e_L = M_3/F_1\). Độ nghiêng hợp lực tải trọng được cho bởi \(\sqrt{F_2^2 + F_3^2}/F_1\).
5.3 Tóm tắt các ví dụ
Trong Phụ lục H, các hình vẽ trình bày cho các ví dụ khác nhau quan hệ giữa mức độ đáp ứng và kích thước móng, xét theo kích thước móng hữu hiệu. Phần thảo luận trong Phụ lục H của từng ví dụ đề cập đến kích thước hình học, trong đó có bao gồm, chẳng hạn, độ lệch tâm. Độ lệch tâm giới hạn trong tất cả các ví dụ được giả thiết là \(e = B/6\). Bảng 73 cung cấp phần tóm tắt các phát hiện chính từ các ví dụ thiết kế, xét theo toàn bộ bề rộng hình học. Nhìn chung, việc sử dụng các hệ số sức kháng mới được khuyến nghị cho các trạng thái giới hạn cường độ đã dẫn đến các móng có quan hệ khác nhau so với thiết kế thực tế, tức là trong năm trường hợp, các móng được thiết kế theo các hệ số mới nhỏ hơn, và trong hai trường hợp, các móng lớn hơn. Trong đa số trường hợp, móng bị khống chế bởi độ lệch tâm giới hạn, đặc biệt nếu không xét đến đóng góp của độ lệch tâm âm.
Cũng như trong các trường hợp khác khi các phương án thiết kế được so sánh với nhau, việc đưa các hệ số đã hiệu chỉnh vào phương pháp thiết kế theo sức kháng và độ tin cậy \(RBD\) cho kết quả đan xen về mặt kinh tế. Nhìn chung, không thể chỉ ra một sự thay đổi đáng kể về hiệu quả kinh tế; tuy nhiên, sự cải thiện về mặt thiết kế và cách tiếp cận có hệ thống là một bước tiến lớn so với các hướng dẫn hiện có.

Bảng 73. Tóm tắt chi tiết các ví dụ thiết kế.
| Ví dụ | Tài liệu tham khảo | Điều kiện móng và đất | Trạng thái giới hạn chi phối | Độ lệch tâm tải trọng lớn nhất (ft) | Tỷ số lệch tâm so với cạnh móng | Kích thước móng thiết kế, B × L (ft × ft) | Kích thước trong tài liệu tham khảo | Phương pháp tính lún dùng trong tài liệu tham khảo | ||
|---|---|---|---|---|---|---|---|---|---|---|
| TTGH cường độ | TTGH sử dụng | |||||||||
| \(\phi\) khuyến nghị | \(\phi\) = 0.45 | \(\phi\) = 1.0 | ||||||||
| 1 | GEC6 – Ví dụ 1 | Móng trụ trên nền đất tự nhiên | Sử dụng | 0.36 | e2/B = 0.23/B e3/L = 0.36/L |
9.75×9.75 (\(\phi\) = 0.35 đến 0.40) |
9.5×9.5 | 50.0×50.0 (Schm78: 19.5×19.5) (Hough: 16.25×16.25) |
16.0×16.0 | Hough (1959) |
| 2 | Cầu Billerica Trụ giữa |
Móng trụ trên lớp đắp sỏi | Cường độ | 0.50 | e2/B = 0.50/B e3/L = 0.095/52.4 = 0.0018 |
6.0×52.4 (tải C2, \(\phi\) = 0.70) 8.9×52.4 (tải C7, \(\phi\) = 0.45) |
8.9×52.4 | 4.5×52.4 (Schm78: 4.3×52.4) (Hough: 2.0×52.4) |
13.1×52.4 | Peck et al. (1974) |
| 3 | Cầu Billerica Mố đông |
Móng mố trên lớp đắp sỏi | Cường độ | 2.31 | e2/B = 2.31/B e3/L = k.x.d. |
15.5×61.65 (\(\phi\) = 0.45) |
15.5×61.65 | 13.9×61.65 (bao gồm Schm78 và Hough) | 12.5×61.7 | Peck et al. (1974) |
| 4 | GEC6 – Ví dụ 2 | Mố tích hợp trên khối strutural fill | Độ lệch tâm giới hạn |
1.00 | e2/B = 1.00/B e3/L = k.x.d. |
6.0×82.0 (\(\phi\) = 0.45) |
6.0×82.0 | 6.0×82.0 (Schm78 và Hough: 6.0×82.0*) | 9.8×82.0 | Hough (1959) |
| 5 | GEC6 – Ví dụ 3 | Mố thấp trên khối structural fill | Độ lệch tâm giới hạn |
1.39 | e2/B = 1.39/B e3/L = k.x.d. |
8.35×82.0 (\(\phi\) = 0.45) |
8.35×82.0 | (8.35<B<14.75)×82.0 (Schm78 và Hough: 8.35×82.0) |
10.5×82.0 | Hough (1959) |
| 6 | GEC6 – Ví dụ 4 | Mố cao trên đất tự nhiên | Độ lệch tâm giới hạn |
3.15 | e2/B = 3.15/B e3/L = k.x.d. |
18.9×82.0 (\(\phi\) = 0.40) |
18.9×82.0 | 18.9×82.0 (Schm78 và Hough: 18.9×82.0*) | 17.1×82.0 | Hough (1959) |
| 7 | Cầu Marlborough Mố nam |
Móng mố nhịp đơn trên đá | Độ lệch tâm giới hạn nếu không xét đóng góp lệch tâm dương/âm | 7.38 | e2/B = 7.38/B e3/L = 0 |
4.0×38.4 | 4.0×38.4 | 4.0×38.4 AASHTO (2008) |
10.5×38.4 | AASHTO (2008) Eq. 10.6.2.4.4-3 |
Hỗ trợ duy trì trang:
Tôi xây dựng trang này để chia sẻ các tài liệu kỹ thuật cốt lõi trong thiết kế hạ tầng giao thông.
Nếu bạn thấy nội dung hữu ích và muốn góp phần duy trì trang hoạt động bền vững, tôi rất trân trọng mọi sự ủng hộ.